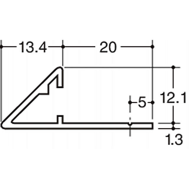
プロフィールhelp よくあるご質問 寸法図 無くなり次第廃番予定製品(本文より削除分) ●切断対応は承っておりません。 ●材質:真鍮押出成型品 ●ビス穴径:φ6.5皿 φ3.5穴 ●ブラケットは、ご使用になれません。 ●環境負荷物質(SOC10)が非含有(基準値以下)
バリエーションhelp 価格について 呼び名/サイズ 全て 2750 カラー 全て クローム 真鍮ミガキクリアー clear クリア 図面 呼び名/サイズ カラー 定価 file_download 2750 クローム ¥ 15,250 file_download 2750 真鍮ミガキクリアー ¥ 15,250