プロフィールhelp よくあるご質問
無くなり次第廃番予定製品(本文より削除分)
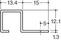
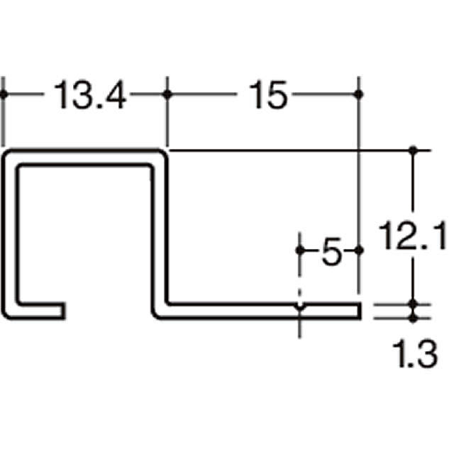
- ●切断対応は承っておりません。
●材質:真鍮押出成型品
●ビス穴径:φ6.5皿 φ3.5穴
●ブラケットは、ご使用になれません。
●環境負荷物質(SOC10)が非含有(基準値以下)
無くなり次第廃番予定製品(本文より削除分)
| 図面 | 呼び名/サイズ | カラー | 定価 |
|---|---|---|---|
| file_download | 1850 | クローム | ¥ 9,400 |
| file_download | 1850 | 真鍮ミガキクリアー | ¥ 9,400 |
| file_download | 2750 | クローム | ¥ 14,600 |
| file_download | 2750 | 真鍮ミガキクリアー |