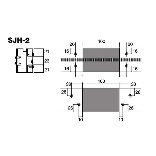
SJH-2スタッドジョイント両差し(SST-2 用)1050

バリエーション

呼び名/サイズ

カラー

図面 呼び名/サイズ カラー 定価
100 表面処理仕上げ ¥ 3,950