プロフィールhelp よくあるご質問
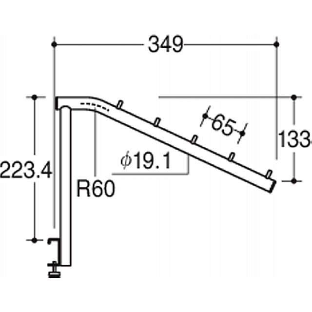
V-フェイスアウトハンガーアップタイプ
- ●コの字厚みt=2.6mm
●丸パイプ寸法:19.1φ×1.6t
●SB-24・32兼用
●傾斜角度25度になります。
●MA-FS-TM(M5ネジ)を取付けて出荷しております。
●SLB-14(14角パイプ)装着不可
●APゴールドを除いた本文価格欄表記色に限り、環境負荷物質(SOC10)が非含有(基準値以下)
- 別注手配書
V-フェイスアウトハンガーアップタイプ
| 図面 | カラー | 定価 |
|---|---|---|
| file_download | クローム | ¥ 2,850 |
| file_download | Aニッケルサテン | ¥ 4,450 |
| file_download | APゴールド塗装 | ¥ 4,750 |
| file_download | Bゴールド | ¥ 4,750 |
青字=要納期