プロフィールhelp よくあるご質問
ウェルドサポート(生地)
- ●切断加工費30円(仕切価格)1本より(100本約2日後出荷)
- (弊社切断時、切りしろ15mm 以上必要)
●ASF-10注意警告厳守
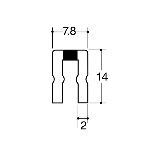
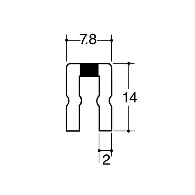
●材質:スチール異型材
●厚みt=2.0mm
●適合タッピング:AT-P(木下地用)またはBT-P(弊社スタッド専用)をご使用ください。
●ビス穴径:φ6.5皿 φ3.3穴
●生地に限り、環境負荷物質(SOC10)が非含有(基準値以下)
ウェルドサポート(生地)
| 図面 | 呼び名/サイズ | カラー | 定価 | ビス穴数 |
|---|---|---|---|---|
| file_download | 900 | 生地 | ¥ 810 | 6 |
| file_download | 1200 | 生地 | ¥ 1,100 | 7 |
| file_download | 1500 | 生地 | ¥ 1,450 | 8 |
| file_download | 1820 | 生地 | ¥ 1,800 | 10 |
| file_download | 2400 | 生地 | ¥ 2,500 | 12 |